Der NTBA (Network Terminator Basic Access) stellt die Verbindung zwischen dem Uk0-Bus auf der Seite des Netzbetreibers und dem S0-Bus auf der Kundenseite dar. Der Uk0-Bus ist zweiadrig, der S0-Bus weist vier Adern auf.

An dieser Stelle scheiden sich auch die Verantwortungsbereiche. Alles bis zum NTBA (einschließlich) gehört zum Verantwortungsbereich des Netzbetreibers. Alles, was hinter dem NTBA liegt, hat der Kunde zu verantworten.
Der NTBA verfügt über eine relativ kurze Zuleitung mit TAE-Stecker zum Anschluß an die alte TAE-Dose. Diese Zuleitung (ca. 1m) darf nicht verlängert werden. Es könnte sonst zu Fehlfunktionen kommen. Man ist also gezwungen, den NTBA in der Nähe der TAE-Dose anzubringen. Wer das nicht möchte, weil z.B. dieser Kasten so gar nicht in die gediegene Einrichtung des Wohnzimmers paßt, ist gezwungen, die TAE-Dose verlegen zu lassen.
Weiterhin besitzt der NTBA einen Netzstecker. Dieser dient jedoch nicht der Versorgung seiner selbst. Vielmehr ist das eingebaute Netzteil für die Versorgung von ISDN-Geräten zuständig (max. 4). Wenn jedoch ausschließlich Geräte mit eigener Versorgung angeschlossen werden, kann auf den 230V Anschluß ganz verzichtet werden.
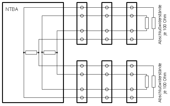
Die beiden Westernbuchsen sorgen immer wieder gern für Verwirrung. Hier ist zu betonen, daß beide Buchsen gleichberechtigt sind. Intern sieht das ungefähr so aus:

Die beiden 100 Ohm Widerstände (>= 0,1W) dienen zum Abschluß der vier Adern. Von diesen werden zwei für die Sende- und zwei für die Empfangsrichtung verwendet. Ein Abschluß (Terminierung) ist, ähnlich dem SCSI-Bus, zur Vermeidung von Störungen (Reflexionen) notwendig.
Der NTBA verfügt allerdings über zwei S0-Bus-Anschlüsse. Wenn diese auch genutzt werden, müssen auch beide Enden des Busses abgeschlossen werden. Die beiden Widerstände im NTBA können nicht entfernt werden. Sie stören aber auch nicht.
