Bei der Installation oder Planung des S0-Busses sind unterschiedliche Installationskonfigurationen zu berücksichtigen. Dabei sind die Varianten
sicherlich die häufigsten.
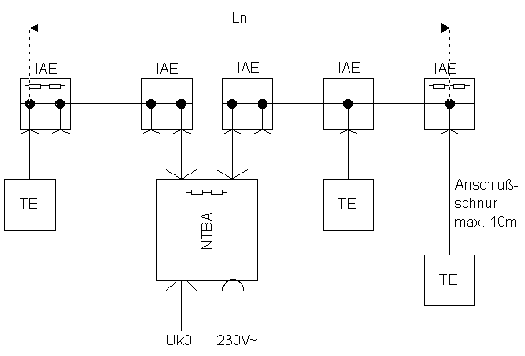
Allgemein gilt, daß maximal 12 Buchsen installiert werden dürfen. Dabei steht es dem Planer frei, auf wieviele Dosen er diese verteilt. Wenn jede Dose 2 Buchsen aufweist, dürfen also maximal 6 Dosen verwendet werden.
Die Anzahl der gleichzeitig angeschlossenen Geräte ist auf 8 begrenzt. Hiervon darf höchstens eins notspeisefähig sein. Ein notspeisefähiges Gerät wird, wenn das Stromnetz ausfällt, von der VE über den S0-Bus mit Strom versorgt.
Für den Anschluß des NTBA an die erste Dose sind maximal 0,5m Leitung zulässig. Eine Anschlußleitung von einer Dose zu einem Gerät darf nicht länger als 10m sein.
Bei dieser Konfiguration liegt, wie die Überschrift schon vermuten läßt, der NTBA am Ende des Busses. Es wird also nur eine der beiden Buchsen des NTBA verwendet.

Wie hier unschwer zu erkennen ist, darf der NTBA auch zwischen den Enden des S0-Busses liegen. Im Gegensatz zu anderen Bussystemen (z.B. SCSI) ist die dreifache Terminierung hier kein Problem, zumindest solange andere Installationsparameter wie Leitungslänge und -kapazität nicht außer acht gelassen werden.

Diese Konfiguration sollte nach Möglichkeit vermieden werden. Nur in Ausnahmefällen macht sie Sinn. Da hier nur ein Gerät angeschlossen werden darf, wird sich diese Variante auch keiner besonderen Beliebtheit erfreuen. Wer jedoch auf extreme Kabellängen angewiesen ist, wird unter Umständen auf diese Alternative zurückgreifen.

Einen gangbaren Kompromiss zwischen Leitungslänge und Anzahl der anschließbaren Geräte stellt der erweiterte Bus dar. Hier können bis zu 4 Geräte gleichzeitig betrieben werden. Bezüglich der Buchsen (12 Stück) gibt es keine Einschränkungen.

Leitungen und zulässige Längen